Dzinēja detaļas
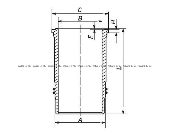
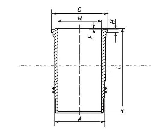
Čaula
VOLVO - FH16'02, FH16'05
Dzinejs - VOLVO - D16C, D16E
Veids: Slapja
Aizsargjoslas augstums, mm: 0.65
Apcilņa augstums, mm: 13.2
Apcilņa diametrs, mm: 177.0
Augstums, mm: 288.35
Nominālais diametrs, mm: 144
Uzstādīšanas diametrs, mm: 166.0
RENAULT - MIDLUM I, PREMIUM I, PREMIUM II
Dzinejs - RENAULT - MIDR 06.02.26
Aizsargjoslas augstums, mm: 0.8
Apcilņa augstums, mm: 8.0
Apcilņa diametrs, mm: 122.5
Augstums, mm: 218.0
Nominālais diametrs, mm: 102
Uzstādīšanas diametrs, mm: 114.0
SCANIA - Series 5 (P/G/R/T)
Dzinejs - SCANIA - DC9.19, DC9.20, DC9.21, DC11.03, DC11.04, DC11.08,
Aizsargjoslas augstums, mm: 0.85
Apcilņa diametrs, mm: 151.0
Augstums, mm: 271.1
Iekšējas izplešanās augstums, mm: 194.27
Nominālais diametrs, mm: 127
Uzstādīšanas diametrs, mm: 140.0
SCANIA - 143
Dzinejs - SCANIA - DSC14.03, DSC14.04, DSC14.08, DSC14.09, DSC14.10,
Komplektācija: Ar gredzeniem
Veids: Slapja
Aizsargjoslas augstums, mm: 0,4
Apcilņa augstums, mm: 10,05
Apcilņa diametrs, mm: 155,7
Augstums, mm: 275,5
Nominālais diametrs, mm: 127
Uzstādīšanas diametrs, mm: 140
SCANIA - Series 5 (P/G/R/T)
Dzinejs - SCANIA - DC9.19, DC9.20, DC9.21, DC11.03, DC11.04, DC11.08,
Aizsargjoslas augstums, mm: 0.85
Apcilņa diametrs, mm: 151.0
Augstums, mm: 271.1
Iekšējas izplešanās augstums, mm: 194.27
Nominālais diametrs, mm: 127
Uzstādīšanas diametrs, mm: 140.0
SCANIA - 114, 124, 164
Dzinejs - SCANIA - DC9.19, DC9.20, DC9.21, DC11.03, DC11.04, DN11.06,
Komplektācija: Ar blīvētājiem
Veids: Slapja
Apcilņa augstums, mm: 194,27
Apcilņa diametrs, mm: 150
Augstums, mm: 271,1
Nominālais diametrs, mm: 127
Uzstādīšanas diametrs, mm: 139
MAN - Series TGA/TGS/TGX
Dzinejs - MAN - D2676
Apcilņa augstums, mm: 8.07
Apcilņa diametrs, mm: 150
Augstums, mm: 257
Nominālais diametrs, mm: 126
Uzstādīšanas diametrs, mm: 139.5
SCANIA - Series 5 (P/G/R/T)
Dzinejs - SCANIA - DC12.10, DC12.13, DC9.16, DC9.17, DC9.18, DT12.03,
Veids: Slapja
Apcilņa augstums, mm: 194.27
Apcilņa diametrs, mm: 150
Augstums, mm: 271
Nominālais diametrs, mm: 127
RENAULT - MAGNUM AE
Dzinejs - RENAULT - MIDR 06.24.65 A, MIDR 06.24.65 B, MIDR 06.24.65 C
Komplektācija: Bez blīvētājiem
Apcilņa diametrs, mm: 139.8
Augstums, mm: 279.5
Nominālais diametrs, mm: 124
RENAULT - MAGNUM AE
Dzinejs - RENAULT - MIDR 06.24.65 A, MIDR 06.24.65 B, MIDR 06.24.65 C
Komplektācija: Ar blīvētājiem
Apcilņa diametrs, mm: 139.8
Augstums, mm: 279.5
Nominālais diametrs, mm: 124
searchПоиск товара
| Transportlīdzekļu marka, modelis |
| Agregats |
|
|
|||||















